高中物理100张表格,三年最全公式知识点总结,吃透咋考都不怕
高中物理跟初中物理比起来,最明显的就是难度上加深了不止一点点,所以如果一直用初中的学习方法,那是一定不行的,在高中阶段公式和概念都是非常的重要的,不管题型如何变化,最基本的知识点还是不变的,所以,只要把基础的公式定理全都掌握了,就不怕我们在考试不拿到高分了。
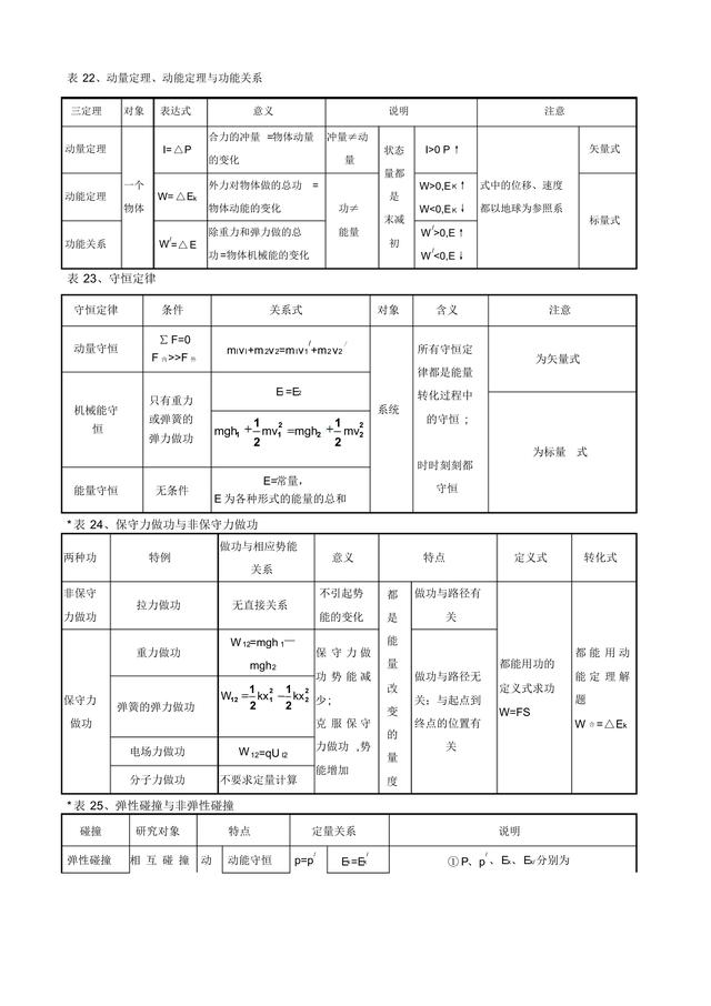
所以,今天学姐给同学们分享整理了高中物理100张基础表格,三年必须会的概念和公式全都在这里,建议同学们先收藏再打印学习哦!
由于篇幅限制,以下是部分内容展示,完整版获取,见文末
声明:本站资源来自会员发布以及互联网公开收集,不代表本站立场,仅限学习交流使用,请遵循相关法律法规,请在下载后24小时内删除。 如有侵权争议、不妥之处请联系本站删除处理! 请用户仔细辨认内容的真实性,避免上当受骗!









